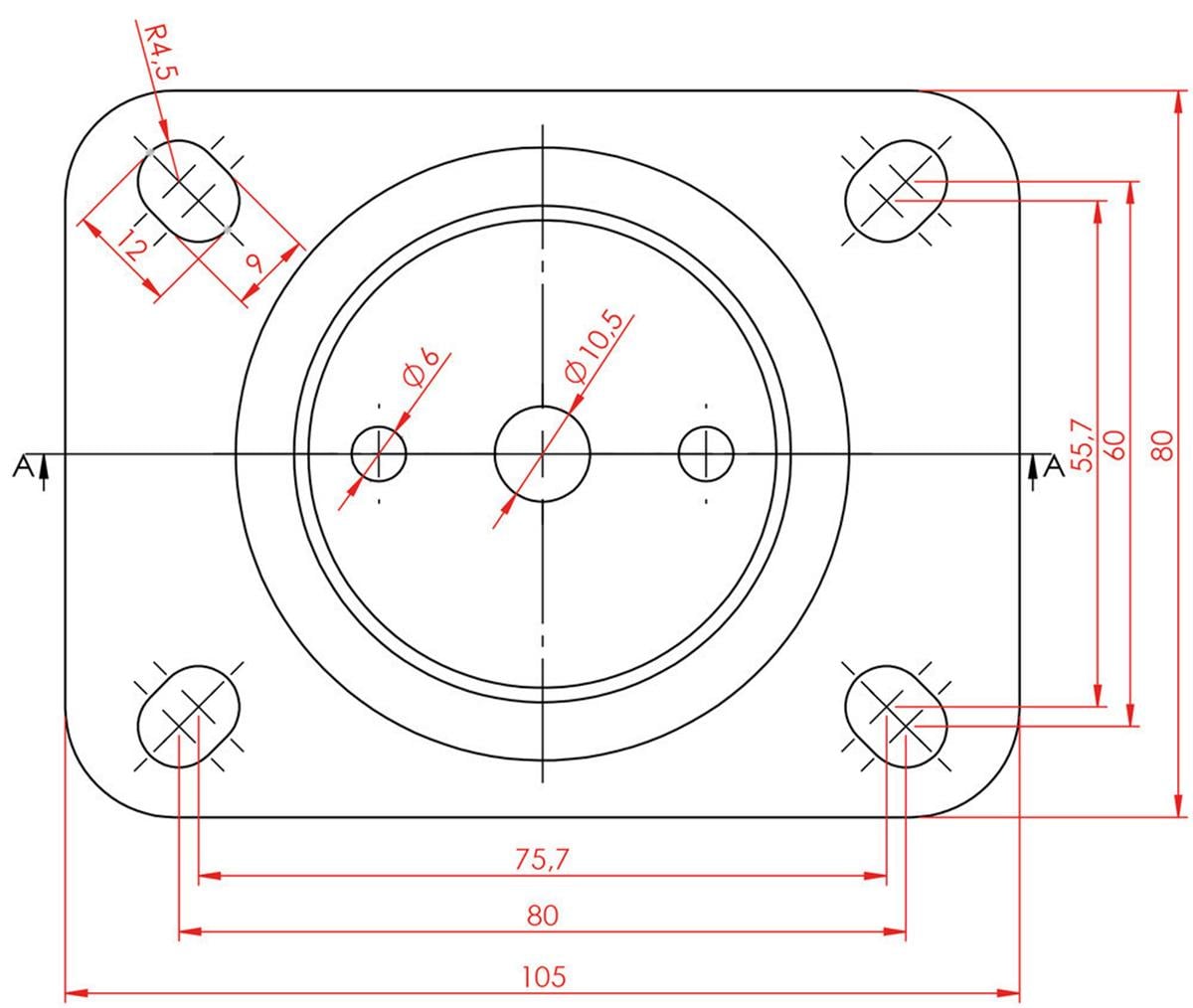
Teker 4107 D2OR
Teker 4107 D2OR
Teker 4107 D2OR
cultureSettings.RegionId: 0 cultureSettings.LanguageCode: TR